当前位置:迈煌首页 > 水听器系列 > ST系列球形换能器
ST系列球形换能器主要特点是敏感元件采用球形压电陶瓷,水平、垂直全向;频带宽,体积小,重量轻;发送电压响应高;接收灵敏度响应平坦,可作为收发换能器使用;应用于声信号发射及接收,水声通信等领域。

前文介绍了CT系列水声发射换能器,该系列产品也称柱形换能器,ST系列球形换能器除了外观的区别,其中重要的一点不同是垂直方向,CT系列产品垂直方向具有圆锥形波束,而ST系列设备垂直指向是全向。
型号技术指标
| ST-50 | 工作频率范围:20 kHz ~40 kHz 发送电压响应:151 dB ±1 dB @30 kHz 接收灵敏度:-197.5 dB ±1 dB @30 kHz 水平指向性:水平全向,起伏小于 1.5 dB @30 kHz 垂直指向性:±2.0 dB @30 kHz,240°范围 谐振频率电导:13.5 mS ±10 % @30 kHz |
ST-80 | 工作频率范围:10 kHz ~30 kHz 发送电压响应:153 dB ±1 dB @18 kHz 水平指向性:水平全向,起伏小于 2 dB @17 kHz 谐振频率电导:15 mS ±10 % @17 kHz 垂直指向性:±2.0 dB @17 kHz,240°范围 主波束形状:水平、垂直全向 |
| ST-150 | 工作频率范围:1 kHz ~20 kHz 发送电压响应:149 dB ±1 dB @11 kHz 水平指向性:水平全向,起伏小于 2 dB @20 kHz 谐振频率电导:15 mS ±10 % @17 kHz 垂直指向性:±2.0 dB @17 kHz,240°范围 主波束形状:水平、垂直全向 |
ST-80球形换能器导纳曲线图

ST-80球形换能器发送电压响应图

ST-80球形换能器水平/垂直指向xing图


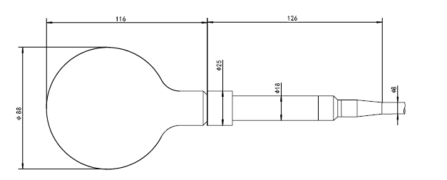
ST-80球形换能器尺寸图
